Adlatec ®

Das Zubehör System 28

Das hier gezeigte Zubehör System 28 ist nur der Teil, der für die Zusammenarbeit mit dem Adlatec benötigt wird.
Gerne senden wir Ihnen den Katalog für das gesamte System.
Bitte fordern Sie den umfangreichen Katalog an.  

Bilder Beschreibung Artikelnummer
Adlatec-Schnellspannbolzen System 28

Der brünierte Schnellspannbolzen mit Drehverschluss ist das ideale Verbindungselement zwischen den Adlatec®-Bauteilen und den Bodenschienen.

Schnellspannbolzen
Art.Nr. 250103000025
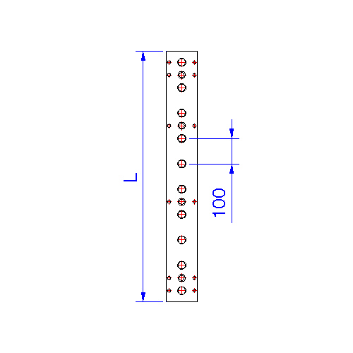
Adlatec-Bodenschiene System28 Die Bodenschienen sind das Fundament der Adlatec®-Bauteile und der Bauteile des System 28. Bodenschiene
L=3000mm Art.Nr. 250103000027
L=4000mm Art.Nr. 250103000028
L=5000mm Art.Nr. 250103000029
L=6000mm Art.Nr. 250103000030